RF Diode detector / AM demodulator
The next design is a RF (radio frequency) diode detector, you can
measure the amplitude of a RF signal with it.
Also it works as an AM demodulator.
For instance you can use the circuit for:
- Measuring the voltage across a LC circuit for determining the
Q factor, the diode detector then replaces the
oscilloscope which otherwise would be used for measuring the voltage across the
LC circuit.
- Measuring the receiving strength of stations on your crystal receiver, and
also to listen to the audio of these stations.

Figure 1: circuit diagram of the RF diode detector with audio amplifier.
Short circuit description:
Diodes D1 and D2 rectify the RF input signal.
Op-amp IC1 is connected as differential amplifier, the function of it is later
discussed in his article.
Diodes D3 and D4 are part of a compensation circuit, to compensate for the
voltage drop across diodes D1 and D2.
Through which the measuring error at low input voltages is strongly reduced.
There is a DC output present (connectors CN3 and CN4) on which a voltmeter
can be connected, to measure the amplitude (peak value) of the input signal.
The detector output (CN2) can be connected to an oscilloscope, to view the
demodulated AM signal.
With op-amp IC2 an audio amplifier is made, by which you can listen to the
demodulated AM signal via a headphone (connected to CN7).
Via a switch (SW1) the input of the audio amplifier can also be switched to an
external audio input (CN5 and CN6), so the amplifier part is universal useable,
and not necessarily only together with the diode detector.

Figure 2: the circuit diagram of the power supply circuit for the diode detector.
The DC supply voltage for the circuit may lay between 7 and 28 volt.
This voltage provides the V+ supply for the two op-amps (see circuit diagram in
figure 1).
Op-amp IC1 also needs a small negative supply voltage.
This is made with a LM317 regulator (this reduces the supply voltage to 4.4
volt), and a ICL7660S converter, which converts the +
4.4 volt to -4.4 volt.
The red LED is mounted in the casing of the diode detector, and forms the
"on" indicator.
The current consumption of the diode detector is 15 mA at 12 volt supply
voltage.
Figure 3: the diode detector in an aluminium case of 145x95x50 mm.
On the right side are the connectors for the RF input (CN1), and audio in
(CN5 and CN6).
On the left side the detector output (CN2), and the output for the voltmeter
(CN3 and CN4).
On the lower side (of figure 3) the connections for headphone and supply
voltage.
Figure 4: voltage at the detector output and DC output at an AM modulated
input signal.
In figure 4 we see an AM modulated input signal with the output signals from the
diode detector, as they should be in theory.
On the DC output is a voltage which represents the amplitude of the input
carrier, where it doesn't matter if the carrier is modulated or not.
The carrier amplitude is in this case 1 volt.
The voltage at the detector output follows the shape of the modulation.
The voltages on both detector output and DC output are always positive.
When the input signal is not modulated, both on detector output and DC output is
a DC voltage equal to the peak value of the input signal.
Design considerations for the diode detector.
Below some steps in the development of the diode detector.
I wanted to make an diode detector which could accurately measure the amplitude
of a RF signal.
The detector must also be fast enough to detect the audio of an AM modulated
signal.

Figure 5: a very simple diode detector.
The detector in figure 5 detects the peak value of the incoming RF signal.
As diode I am going to use the BAT62-03W .
This Schottky diode has the following properties:
- Maximum reverse voltage: 40 volt, this is enough for this application.
- Diode capacitance: 0.35 pF at 0 volt diode voltage, this is a nice low value.
- Useable to at least 1 GHz.
- Diode resistance: 225 kΩ, the lower the
diode resistance, the more sensitive the detector is at low input voltages.
But a low diode resistance also gives a low input resistance of the detector
(especially at low input voltages)
To get a sensitive and accurate detector, with
low voltage drop across the diode, the current through the diode must be kept
very low.
Therefore must the resistor (see figure 5) have a high value, at least some
Mega-Ohm.
For instance, take for the resistor value 2.2 MΩ,
and the capacitor 15 pF.
The detector is figure 5 is then very well suitable for demodulating AM signals,
on the output of the detector will come the demodulated audio signal with a
bandwidth of 0 - 4700 Hz.
If the capacitor has a higher value, the higher audio frequencies are attenuated
too much
The circuit in figure 5 has one great drawback, every DC voltage at the input
signal will be visible at the output signal.
Because I only want to measure the amplitude of the RF signal, we must remove
the DC voltage in some way.
The following circuit has an input capacitor which blocks the DC voltage at the
input.

Figure 6: capacitor C1 is here blocking the DC voltage from the input signal.
The output voltage is two times the peak value of the input signal.
In fact we also lose two times the voltage drop across the diodes, but for the
moment we do just like if the diodes give no loss of voltage.
The value of input capacitor C1 should be quite high, for instance several
hundred pF, because:
Reason 1:
C1 together with the capacitance of the diodes forms a capacitive voltage
divider.
If diodes D1 and D2 together have a capacitance of let's say 1 pF, and we want
to lose maximal 1% signal across C1, then the value of C1 must be at least 100
pF.
Reason 2:
The diodes have at zero volt a certain diode resistance, at the used BAT62-03W
that is 225 kΩ.
For the RF signal, the diode resistance of D1 and D2 are in parallel, and we get 112,5 kΩ.
C1 and this resistance are forming a high-pass filter.
If we for instance want to measure signals from 10 kHz, C1 should be at least
150 pF.
The circuit in figure 6 is well suited for measuring RF signals with constant
amplitude.
If a RF signal is measured, capacitor C2 will be charged, but also C1 will be
charged.
If we want to detect an AM modulated signal, the charge in C1 must also
discharge every time through R1, and this shall reduce the bandwidth the audio
signal strongly.
This circuit is not very suitable to detect audio, because the bandwidth of the
audio signal is limited too much, because of the high capacitance of C1.
We again continue one step further in the development of our detector.

Figure 7.
In this circuit, capacitor C1 never gets charged by the RF input signal, across
resistor R1 there is always 0 volt DC.
De bandwidth of the detected audio signal is only depending on the values of R2
and C2 (which are equal to R3 and C3).
The value of C1 is no longer of importance for the bandwidth of the audio
signal.
With this circuit , we can achieve a high bandwidth of the detected audio
signal.
Via a buffer amplifier with very high input resistance, we measure the peak
amplitude Vp of the input signal.
With signal -Vp we do nothing.
The next problem is the ripple voltage on the output signal at very low input
frequencies.
If the carrier frequency of the (RF) input signal becomes very low, for instance
10 kHz, the combination C2, R2 is not capable of filtering out that frequency
anymore.
And we then see a 10 kHz ripple voltage on the detected voltage, which you can
also hear when listening to the demodulated audio.
We can reduce this effect by using a positive and negative peak detector, and
subtract both signals from each other.
The next circuit diagram shows what I mean.

Figure 8: the signals Vp and -Vp are subtracted from each other with a
differential amplifier with a gain of 1.
The result is, that we get a DC voltage which is equal to 2Vp, so twice as much
as first.
However the amplitude of the ripple voltage will stay about the same.
The frequency of the ripple voltage will also double, by which it is easier to
filter it out.
The next graph shows the signals in this circuit at low carrier frequency.
Figure 9: the input and output signals of the differential amplifier from figure
8.
Figure 10: the same signals as in figure 9, but now at a higher input frequency.
The output voltage of the differential amplifier (green line) is approaching 2
times the peak value of the input signal.
As we saw in figure 8, we need a differential amplifier.
The next circuit diagram shows how such a thing can be made with an op-amp.

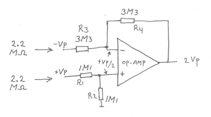
Figure 11: differential amplifier with a gain of 1x.
The input resistance for the +Vp signal is (R1+R2=) 2.2 MΩ.
The input resistance for the -Vp signal is also 2.2 MΩ.
Because across resistor R3 (3.3 MΩ) the
voltage is1.5 Vp, the current through R3 is equal to the current through R1 and
R2.

Figure 12: the differential amplifier is added to the detector circuit.
Also an extra filter is added, with an impedance of 2.2 MΩ.
The filter provides some extra suppression of ripple voltage at low carrier
frequencies, and reduces the output voltage of the differential amplifier to
halve the original value.
The result is:
- Both diodes are loaded with 4.4 MΩ.
- The output voltage of the op-amp is equal to the peak value of the input
signal.
So we now have a detector with:
- DC blocking at the input.
- High sensitivity.
- Large frequency range for the input signal.
- Large bandwidth for the detected audio signal .
- High suppression of the carrier frequency on the detector output.
Compensation for voltage drop diodes
Until now we considered the diodes in the detector to have no voltage drop,
however in practice diodes do give voltage drop.
Because of this, the output voltage of the differential amplifier shall be lower
then the peak value of the input signal.
Now we are going to compensate for this voltage drop, by adding two diodes to
the differential amplifier.
Here a part of the circuit diagram of the diode detector from figure 1.

Figure 13: a part of the circuit diagram from figure 1.
We recognize in this circuit diagram all the discussed parts from figure 12.
The diodes D3 and D4 and resistors R10 and R11 form the compensation circuit,
and add a certain voltage to the output of the differential amplifier.
Resistor R10 (82 kΩ) provides some extra
current through the diodes, by which the voltage compensation gets as good as
possible the correct value.
With potentiometer P2, the output of the op-amp can be adjusted to exactly 0.000
volt, at no input signal.
For high measuring accuracy, the resistors R2...R9 must have a tolerance of 1%
(or less).
Measuring accuracy
Figure 14: Measuring error without compensation (blue line), and with
compensation for the voltage drop of the diodes (red line).
We see in figure 14, the measuring error strongly reduces by adding the
compensation circuit D3/D4.
At input voltages between 0.1 and 20 volt (peak) the measuring error is at most
some percent.
The maximum input voltage for this diode detector is 20 volt (peak), the
reverse voltage across diodes D1 and D2 is then 40 volt, which is the maximum
allowable.
The power supply voltage for the diode detector must at least be 3 volt higher
then the peak voltage we want to measure.
If you find the measuring accuracy of the diode detector (the red line in
figure 14) not high enough, you can also multiply the measured voltage at the DC
output by a correction factor.
The result then gives the input voltage of the diode detector with even higher
accuracy.
Figure 15: correction factor for determining the input voltage of the diode
detector.
Figure 16: once again the correction factor, here a part of the graph from
figure 15 is enlarged.
Example:
We measure 0.2 volt at the DC output.
The correction factor is 0.98
The input voltage of the diode detector is then: 0.2 x 0.98 = 0.196 volt peak.
The values of the correction factor from figure 15 en 16 are only valid for
the diode detector I have build.
For other build samples, the exact correction factor should be once again determined
by measurements.
Demodulation
The next pictures show the demodulated audio signal at the detector output.
The carrier frequency was each time 500 kHz, the modulation 1 kHz sine wave, at
a modulation depth of 100%.
The mentioned carrier amplitude is the peak value (not the effective value).
Figure 17: demodulated signal at carrier amplitude = 1 volt
The input signal is here the same as displayed in figure 4.
Figure 18: demodulated signal at carrier amplitude = 100 mV.
The bottom side of the sine wave is slightly distorted.
Figure 19: demodulated signal at carrier amplitude = 10 mV.
The demodulated signal is distorted, too low in amplitude (it should reach to 20
mV) and with noise.
However you can listen well to this signal via a headphone.
The amplitude of the carrier can be reduced to about 2 mV before the
demodulated signal isn't audible anymore via the headphone.
Demodulating at low carrier frequency
If the frequency of the carrier becomes very low, the carrier can distort the
demodulated audio signal.
The following picture gives an example of this:
Figure 20: the carrier is visible in the audio output signal.
Carrier frequency = 20 kHz
Carrier amplitude = 1 volt
Modulation: 1 kHz 100%
Frequency range of the RF input
The input frequency range of the diode detector is very wide.
The lowest frequency (-3 dB point) is about 15 kHz.
The rectify diodes D1 and D2 (BAT62-03W) should for high frequencies be useable
to at least 1 GHz.
But it turned out to be quite difficult to check if this is really true.
The next graphs show the measured amplitude of the RF input signal, when using
different signal generators.
Figure 21: measured output voltage of two signal generators.
The measured output voltage of the DDS generator strongly reduces above 10 MHz,
this is probably caused by the DDS generator itself, and not by the diode
detector which is measuring the amplitude.
More information about the used DDS generator can be found
here
under "test setup 4".
Figure 22: measured output voltage of a VHF / UHF signal generator.
The frequency response of the diode detector seems to be quite constant up to
several hundred MHz.
The graph in figure 22 is going up at high frequencies, I don't know if this is
caused by the signal generator or the diode detector.
Bandwidth of the audio signal
The next graph shows the audio response of the diode detector when used as AM
demodulator.
Figure 23: audio bandwidth measured at the detector output (CN2).
The bandwidth (-3 dB) at the detector output is 0-5000 Hz.
Higher frequencies are not transmitted by AM stations, so we don't need more
bandwidth.
Figure 24: frequency range of the audio amplifier.
The bandwidth of the audio amplifier is about 25 - 15000 Hz.
The peak at 40 Hz is caused by the audio transformer.
Input resistance.
The input resistance of the diode detector should be at least about 100 kΩ
.
Determined by the diode resistance of D1 and D2 and the resistance value of R1.
For directly connecting to a crystal receiver, 100 kΩ is quite a low value, in
that case we can better place a FET amplifier
between receiver and diode detector.
The input resistance can also be reduced by
placing a certain resistor parallel to the input.
The next picture is showing this, a 50 Ω terminating resistor is in parallel
with the input of the diode detector, so a 50 Ω coax cable is correctly
terminated.
Figure 25: a 50 Ω terminating resistor
(connector with the blue cap) provides a correct terminating for the 50 Ω coax cable.
Audio recording.
As experiment, I made with the help of the diode detector an audio recording of my detector unit1 .

Figure 26: the components for making the audio recording.
There is no antenna connected to detector unit 1, the coil in the unit works
as a small loop antenna, and receives the radio signal.
By using the FET amplifier, detector unit 1 is not loaded, and it's Q factor not
reduced.
The FET amplifier and diode detector are powered from a 12 V battery.
In the first instance I tried to record the audio directly with my PC, but this
caused much interference.
Therefore I now record the audio first with a Minidisc recorder, and later
transfer this to my PC.
The output of the power supply for the recorder also had to be connected to
ground to prevent interference.
Two stations are to be heard in the audio recording.
The first minute you can hear Groot Nieuws Radio.
Frequency: 1008 kHz.
Power: 100 kW.
Distance: 41 km.
Voltage at the DC output of the diode detector: 510 mV.
Then I tuned to the station Talk Sport (it took 15 seconds before
accurately was tuned).
Frequency: 1053 kHz.
Power: 500 kW.
Distance: 479 km.
Voltage at the DC output of the diode detector: 15 mV
Here you can listen to the recording:
audio_1008_1053kHz.mp3
The reception of the second station is much weaker then the first.
This recording demonstrates how the sound quality of the diode detector is, at
strong and weak input signals.
This recording is made at daytime, when reception of distant stations is weak.