Detector unit 1
Terug naar de index
Hier de beschrijving van een detector unit, deze kan gebruikt worden in
combinatie met een antenne unit, zodat een twee krings ontvanger ontstaat.
Op de uitgang wordt een audiotransformator aangesloten met een hoge
ingangsimpedantie zoals mijn transformator unit 1.
| Detector unit 1 | Onder de afstemcondensator bevinden zich de twee trimmer condensators. |

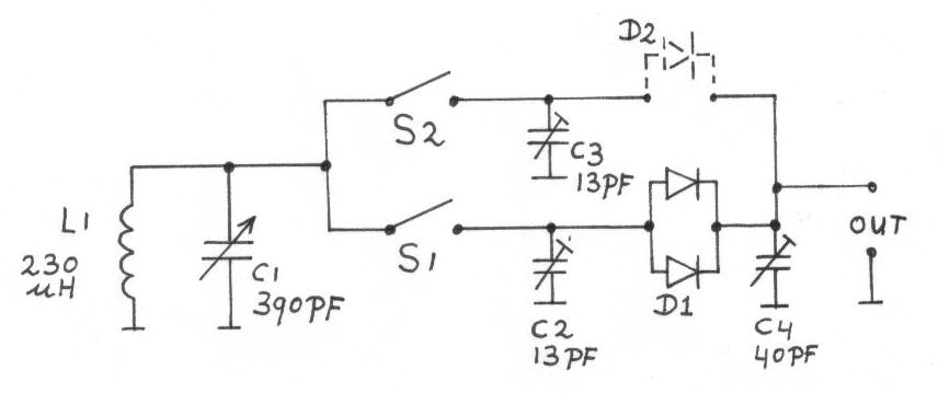
Schema van de detector unit.
Spoel L1 is een spoel van litzedraad 660x0,04 mm (660/46 AWG) en is gewikkeld op
een polypropyleen spoelhouder.
Deze spoel is hier beschreven als spoel L13.
De afstemcondensator heeft verzilverde platen en isolators van polyetheen, en is hier omschreven onder de naam C2b.
De schakelaars S1 en S2 zijn reed-switches deze zijn te schakelen door er een
magneetje bij te plaatsen, deze reed switches met glazen behuizing geven weinig
diëlectrische verliezen.
In geopende toestand hebben de schakelaar contacten een capaciteit van ongeveer
0,2 pF.
Met trimmer condensators C2 en C3 is het frequentie bereik van de detector unit in te stellen.
Diode D1 is een dubbele SMD schottky diode van het type HSMS282K, de twee
diodes in de behuizing zijn parallel geschakeld. Dit type diode heeft ook nog
een afscherming tussen de twee diodes, de aansluitpennen van de afscherming
worden niet aangesloten. Na het solderen is alle soldeerflux verwijderd van de
diode, want dit kan een negatieve invloed hebben op de Q factor van de kring.
Meer informatie over diodes vind je hier.
Er kan ook nog een tweede diode aangesloten worden (D2), zodat er geschakeld kan worden tussen D1 en D2.
C4 is voor het verwijderen van het hoogfrequent signaal achter de diode, de waarde is variabel zodat ik er nog mee kan experimenteren.
De uitgang van deze detector unit moet hoog Ohmig belast worden, het liefst met meer dan 1 M.Ohm.
De detector unit is gemaakt van polyetheen plaat, dit geeft weinig diëlectrische
verliezen, meer informatie hierover vindt je hier en
hier.
Er zijn alleen koperen schroeven gebruikt, geen ijzer vanwege de lagere
verliezen.
![]() |
Detail van de reed-switches, dat zijn die twee glazen buisjes. Het magneetje kan van links naar rechts worden geschoven, zodat de ene of de andere reed-switch geschakeld wordt. De diode D1 bevindt zich aan de onderkant van de linker reed-switch, maar is bijna te klein om te zien. |
![]() |
Afstemschaal van de detector unit. De frequentie is direct op de schaal af te lezen. Tussen de afstemknop en de afstemcondensator bevindt zich
een 1:5 vertraging. |
Van de detector unit heb ik de Q factor gemeten, één keer zonder de diode
aangesloten, en één keer met de diode (2 parallel) en een belastingsweerstand van 1,5
M.Ohm.
Ook is de frequentie verschuiving gemeten welke de diodes geven.
(Deze meting is gedaan met 1,12 Volt top-top over de LC kring op de resonantie
frequentie.)
| Q bij 600 kHz | Q bij 900 kHz | Q bij 1200 kHz | Q bij 1500 kHz | |
| Detector unit onbelast | 1276 | 1204 | 1111 | 912 |
| Detector unit belast met 2 diodes HSMS282K parallel en 1,5 M.Ohm. |
644 -1,0 kHz |
529 -3,3 kHz |
405 -8,1 kHz |
326 -15,0 kHz |
Met de formule Z= 2.pi.f.L Q kunnen we de impedantie van de onbelaste kring berekenen (de inductie van de spoel is 230 uH):
Z= 1,1 M.Ohm bij 600 kHz
Z= 1,57 M.Ohm bij 900 kHz
Z= 1,93 M.Ohm bij 1200 kHz
Z= 1,97 M.Ohm bij 1500 kHz
Het frequentie bereik van de unit was eerst 530,65 tot 2050 kHz, dat was
gemeten met de diode aangesloten.
De laagste frequentie wilde ik iets verlagen, omdat deze te dicht ligt bij de
laagste middengolf frequentie van 531 kHz.
Als ik in de toekomst een andere diode zou gebruiken met minder capaciteit zou
de 531 kHz niet eens gehaald worden.
De hoogst haalbare frequentie wilde ik ook verlagen tot ongeveer 1700 kHz, dan
ontstaat er een betere spreiding van de stations over de frequentie schaal, dus
de stations zitten dan niet zo dicht op elkaar.
Hier in Europa is de hoogste middengolf frequentie 1620 kHz, maar er zijn
daarboven tot 1700 kHz ook enkele piraten stations actief, welke ook interessant
zijn om te horen.
Om het frequentie bereik te beperken heb ik een trimmer condensator parallel
gezet aan de afstemcondensator.
De maximum capaciteit van deze trimmer condensator is 13,8 pF.
Met de trimmer op maximum capaciteit heb ik de Q van de onbelaste kring gemeten.
600 kHz Q=1224
900 kHz Q=1210
1200 kHz Q=1090
1500 kHz Q=898
We zien dat de trimmer condensator weinig invloed heeft op de Q factor.
Er zijn twee trimmer condensators gebruikt (C2 en C3), deze zijn achter de reed-switches
geplaatst, dus elke diode heeft zijn eigen trimmer.
Nu wordt het ook mogelijk om verschillen in capaciteit tussen de verschillende
diodes weg te regelen, zodat het omschakelen van de ene naar de andere diode
geen frequentie verschuiving geeft.
Door middel van de trimmer condensators heb ik het frequentiebereik van de detector unit afgeregeld op 522 tot 1710 kHz.
Met de detector unit kan ik de volgende stations ontvangen, er is in dit geval geen externe antenne aangesloten, ik gebruik alleen de spoel van de detector unit als kleine raamantenne.
| Freq. | Station | Land | Locatie | KW | KM | Ontvangst overdag |
| 540 | Radio 2 | BEL | Wavre-Overijse | 150 | 158 | * |
| 594 | Hessischer Rundfunk Chronos | D | Rodgau Frankfurt | 250 | 359 | |
| 621 | RTBF 1 | BEL | Wavre | 300 | 158 | * |
| 648 | BBC Worldservice | G | Orfordness | 500 | 445 | * |
| 675 | Arrow | HOL | Lopik | 120 | 17 | * |
| 747 | 747AM | HOL | Flevoland | 400 | 41 | * |
| 756 | Deutschlandfunk | D | Ravensburg | 100 | 585 | |
| 927 | Radio 1 | BEL | Wolvertem | 150 | 137 | |
| 972 | NDR Info | D | Hamburg | 100 | 379 | |
| 1008 | Radio 10 Gold | HOL | Flevoland | 400 | 41 | * |
| 1053 | Talk Sport | G | Droiwich | 500 | 479 | |
| 1062 | DR P3 | DNK | Kalundborg | 250 | 559 | |
| 1089 | Talk Sport | G | Brookmans Park | 400 | 354 | |
| 1134 | Hrvatski Radio 1 | HRV | Zadar | 600 | 1175 | |
| 1179 | Radio Sweden international | S | Solvesborg | 600 | 763 | |
| 1215 | Virgin Radio | G | Moorside Edge | 200 | 487 | |
| 1296 | BBC World Service (DRM signal) | G | Orfordness | 70 | 229 | |
| 1314 | NRK1 / NRK 2 | NOR | Kvitsoy | 1200 | 767 | |
| 1377 | France Info / RFI | F | Lille | 300 | 227 | |
| 1422 | Deutschlandfunk | D | Heusweiler | 600 | 341 | |
| 1440 | RTL | LUX | Marnach | 300/ 1200 | 248 | |
| 1458 | Sunrise Radio | G | Brookmans Park | 125 | 422 | |
| 1467 | Trans World Radio / Radio Vatican | F | Romoules | 1000 | 934 | |
| 1539 | E.R.F. | D | Mainflingen | 120 / 700 | 366 |
Deze stations zijn 's avonds laat ontvangen.
Een * in de laatste kolom geeft aan dat het station ook overdag te ontvangen is.
De detector unit was op een houten tafel geplaatst dit geeft een kleine afname van de Q factor.