Experimenten met een detector unit
Introductie
Op deze pagina zijn metingen beschreven aan mijn
detector unit 1 .
In deze detector unit is als diode gebruikt de HSMS-282K (2 diodes parallel), en
de belastingsweerstand door
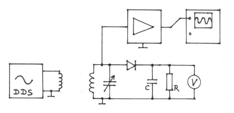
![]() |
Meetopstelling gebruikt bij alle metingen op deze pagina. De oscilloscoop meet via de meetversterker de spanning over de LC kring. De voltmeter meet de gedetecteerde gelijkspanning. De belastingsweerstand wordt gevormd door weerstand R parallel aan de voltmeter met 10 MΩ ingangsweerstand. Condensator C heeft de waarde: 100 nF Het hoogfrequent signaal wordt geleverd door een DDS signaalgenerator, het signaal wordt via een koppelspoel aan de LC kring gekoppeld. |
Alle metingen zijn gedaan bij een frequentie van ongeveer 1500 kHz.
Bij 1500 kHz is de impedantie van de onbelaste LC kring: 1,97 MΩ.
Er zijn 4 (combinaties van) diodes getest:
HSMS-282K Schottky diode ( 2 diodes in één behuizing
parallel)
HSMS-282K Schottky diode ( 1 diode)
5082-2835 Schottky diode ( 2 diodes parallel)
5082-2835 Schottky diode ( 1 diode)
Gedetecteerde spanning bij een constante ingangsspanning.
In deze meting wordt de gedetecteerde gelijkspanning gemeten, dus de spanning
aan de uitgang van de diode.
Deze diode wordt in alle gevallen belast met een
belastingsweerstand van 1,52 MΩ, dit is een
combinatie van een 1,8 MΩ weerstand parallel aan een voltmeter van 10
MΩ.
De waarde van 1,52 MΩ is echter iets
lager dan de impedantie van transformator unit 1.
De ingangsspanning (hoogfrequent signaal over de LC kring) is constant (20 mV, 50 mV, 100 mV enz.) bij het meten van de verschillende
diodes.
|
Tabel 1 Gedetecteerde spanning (mV dc) als functie van spanning over LC kring (top-top waarde over de LC kring). Onder de 200 mVtt ingangspanning werken deze diodes in het
kwadratische detectie
gebied. Boven de 2V ingangspanning komen we
meer in het
|
Bij het gebruik van 2 diodes 5082-2835 parallel wordt de hoogste gelijkspanning
gemeten.
De (enkele) diode 5082-2835 geeft de minste uitgangsspanning.
Hieruit zou men kunnen concluderen dat het gebruik van 2 diodes 5082-2835 parallel
de gevoeligste
ontvanger geeft.
En het gebruik van één enkele 5082-2835 de minst gevoelige ontvanger.
Deze conclusie is echter niet correct zoals we later in dit artikel zullen zien.
Q factor bij een constante ingangsspanning.
In deze meting is de Q factor gemeten van de (door de diode en
belastingsweerstand) belaste kring.
Deze diode wordt in alle gevallen belast met een
belastingsweerstand van 1,52 MΩ.
De ingangsspanning is constant (50 mV, 100 mV, enz.) voor de verschillende
diodes
|
Tabel 2
Q factor als functie van de spanning over de LC kring |
*
Bij 20 mV ingangsspanning is geen meting gedaan, de spanning is dan te laag voor
een nauwkeurige meting van de Q factor.
Het gebruik van 2 diodes 5082-2835 geeft de laagste Q factor in deze meting.
Een lage Q factor betekend dat de LC kring (relatief) zwaar belast wordt door de
diode.
Een lage Q betekend ook een slechtere selectiviteit van de ontvanger.
Frequentie verandering van de LC kring als functie van de ingangsspanning.
Elke diode heeft een bepaalde capaciteit (condensator waarde in pF).
Deze capaciteit is afhankelijk van de sperspanning over de diode, hoe hoger de
sperspanning hoe lager de capaciteit.
Bij nul volt is de capaciteit het hoogst.
Een diode aangesloten aan een LC kring zal het hoogfrequent signaal
gelijkrichten, de gelijkgerichte spanning vormt een sperspanning over de diode.
Hoe hoger de spanning over de LC kring, hoe hoger de sperspanning over de diode,
hoe lager de diode capaciteit, en hoe hoger de resonantie frequentie.
|
Tabel 3.
Deze tabel geeft de gemeten frequentie verschuiving (in kHz) van de LC kring, als functie van spanning (top-top
waarde) over de LC kring. |
Gedetecteerde spanning en vermogen bij een constant
magnetisch veld (groot signaal).
In de voorgaande metingen was de spanning over de LC kring constant bij het
omschakelen van de ene naar de andere diode.
Dit komt echter niet overeen met de situatie in de praktijk.
Bij een echte kristalontvanger zal de spanning over de LC kring afhankelijk zijn
van zowel de gebruikte diode als de belastingsweerstand.
Als de LC kring van een ontvanger zwaarder belast wordt door diode of
belastingsweerstand zal de spanning over de kring afnemen, ook zal de Q factor
afnemen.
In de volgende meting (tabel 4) is de LC kring in een constant magnetisch
veld geplaatst.
We krijgen zo'n constant magnetisch veld door de koppelspoel van de
signaalgenerator op een vaste afstand van de LC kring te plaatsen, en de
amplitude van de signaalgenerator constant te houden.
Het constante veld simuleert een ontvangen zendersignaal van constante sterkte.
De belastingsweerstand wordt gevarieerd tussen 0,91 en 10 MΩ.
De spanning over de LC kring is nu afhankelijk van zowel belastingsweerstand als
gebruikte diode, maar het niveau van enkele volts over de kring komt overeen met
ontvangst van een redelijk sterk lokaal station.
Tabel 4
Spanning over de LC kring (AC) en gedetecteerde spanning (DC) als functie van
belastingsweerstand en gebruikte diode.
| Belastings- weerstand |
HSMS-282K 2 diodes parallel |
HSMS-282K 1 diode |
5082-2835 2 diodes parallel |
5082-2835 1 diode |
| 0,91 MΩ | DC= 0,546 V AC= 1,48 V | DC= 0,561 V AC= 1,58 V | DC= 0,562 V AC= 1,54 V | DC= 0,564 V AC= 1,55 V |
| 1,07 MΩ | DC= 0,625 V AC= 1,65 V | DC= 0,644 V AC= 1,72 V | DC= 0,643 V AC= 1,70 V | DC= 0,647 V AC= 1,70 V |
| 1,30 MΩ | DC= 0,721 V AC= 1,87 V | DC= 0,745 V AC= 1,95 V | DC= 0,742 V AC= 1,90 V | DC= 0,747 V AC= 1,94 V |
| 1,52 MΩ | DC= 0,790 V AC= 2,00 V | DC= 0,819 V AC= 2,19 V | DC= 0,815 V AC= 2,07 V | DC= 0,821 V AC= 2,08 V |
| 1,80 MΩ | DC= 0,867 V AC= 2,18 V | DC= 0,900 V AC= 2,27 V | DC= 0,981 V AC= 2,20 V | DC= 0,900 V AC= 2,26 V |
| 2,13 MΩ | DC= 0,966 V AC= 2,38 V | DC= 1,003 V AC= 2,48 V | DC= 0,992 V AC= 2,40 V | DC= 1,005 V AC= 2,49 V |
| 2,48 MΩ | DC= 1,055 V AC= 2,58 V | DC= 1,094 V AC= 2,66 V | DC= 1,079 V AC= 2,60 V | DC= 1,097 V AC= 2,68 V |
| 3,19 MΩ | DC= 1,191 V AC= 2,85 V | DC= 1,243 V AC= 2,96 V | DC= 1,222 V AC= 2,90 V | DC= 1,243 V AC= 2,97 V |
| 3,97 MΩ | DC= 1,318 V AC= 3,10 V | DC= 1,376 V AC= 3,21 V | DC= 1,350 V AC= 3,17 V | DC= 1,370 V AC= 3,21 V |
| 4,38 MΩ | DC= 1,362 V AC= 3,19 V | DC= 1,428 V AC= 3,33 V | DC= 1,395 V AC= 3,26 V | DC= 1,424 V AC= 3,34 V |
| 5,00 MΩ | DC= 1,424 V AC= 3,30 V | DC= 1,498 V AC= 3,49 V | DC= 1,467 V AC= 3,40 V | DC= 1,495 V AC= 3,49 V |
| 6,67 MΩ | DC= 1,566 V AC= 3,60 V | DC= 1,657 V AC= 3,80 V | DC= 1,614 V AC= 3,70 V | DC= 1,657 V AC= 3,80 V |
| 10,0 MΩ | DC= 1,743 V AC= 3,98 V | DC= 1,852 V AC= 4,20 V | DC= 1,775 V AC= 4,10 V | DC= 1,843 V AC= 4,20 V |
De aangegeven spanning over de kring (AC) is de top-top waarde.
Deze spanning over de kring is evenredig met de belaste Q waarde van de LC kring.
Dus hoe hoger de AC spanning, hoe hoger de Q, en hoe selectiever de
ontvanger.
We zien dat de spanning over de kring en de gedetecteerde spanning niet erg
afhankelijk zijn van de gebruikte diode, bij alle diodes zijn de uitkomsten
ongeveer hetzelfde.
Maar de AC spanning is wel erg afhankelijk van de belastingsweerstand (bij gelijkblijvende
diode).
Dit is een typisch verschijnsel bij hoge signaal niveaus, waar de diode werkt in
het lineaire detectie gebied.
In de volgende tabel zijn de gedetecteerde spanningen uit tabel 4 omgerekend
naar vermogen in de belastingsweerstand.
Tabel 5
Vermogen in de belastingsweerstand (in nW = nano-Watt) als functie van
belastingsweerstand en gebruikte diode.
| Belastings- weerstand |
HSMS-282K 2 diodes parallel |
HSMS-282K 1 diode |
5082-2835 2 diodes parallel |
5082-2835 1 diode |
| 0,91 MΩ | 328 | 346 | 347 | 349 |
| 1,07 MΩ | 365 | 388 | 386 | 391 |
| 1,30 MΩ | 400 | 427 | 424 | 429 |
| 1,52 MΩ | 411 | 441 | 437 | 443 |
| 1,80 MΩ | 418 | 450 | 441 | 450 |
| 2,13 MΩ | 438 | 472 | 462 | 474 |
| 2,48 MΩ | 448 | 483 | 469 | 485 |
| 3,19 MΩ | 445 | 484 | 468 | 484 |
| 3,97 MΩ | 438 | 477 | 459 | 473 |
| 4,38 MΩ | 423 | 466 | 444 | 463 |
| 5,00 MΩ | 406 | 449 | 430 | 447 |
| 6,67 MΩ | 368 | 412 | 391 | 412 |
| 10,0 MΩ | 304 | 343 | 315 | 340 |
Grafiek 1
Vermogen in de belastingsweerstand (in nW) als functie van belastingsweerstand
en gebruikte diode.
De uitkomsten uit tabel 5 zijn weergegeven in deze grafiek.

Conclusie:
Het grootste gedetecteerde vermogen treedt op bij een belastingsweerstand van
ongeveer 2,5 tot 3 MΩ.
Als diode geven een enkele HSMS-282K en een enkele 5082-2835 de beste
resultaten.
Het parallel schakelen van 2 diodes geeft iets minder uitgangsvermogen, maar de
verschillen onderling zijn vrij klein.
Nogmaals: dit is de situatie bij ontvangst van een sterk signaal
Gedetecteerde spanning en vermogen bij een constant
magnetisch veld (klein signaal).
De zelfde meting uit tabel 4 is nogmaals gedaan, maar nu met een veel kleiner
signaalniveau, dus met een lagere amplitude van de signaalgenerator.
Dit signaalniveau komt overeen met de ontvangst van een zeer zwak station.
Tabel 6
Spanning over de LC kring (AC) en gedetecteerde spanning (DC) als functie van
belastingsweerstand en gebruikte diode.
| Belastings- weerstand |
HSMS-282K 2 diodes parallel |
HSMS-282K 1 diode |
5082-2835 2 diodes parallel |
5082-2835 1 diode |
| 0,91 MΩ | DC= 6,2 mV AC= 98 mV | DC= 6,5 mV AC= 119 mV | DC= 7,2 mV AC= 111 mV | DC= 6,6 mV AC= 138 mV |
| 1,07 MΩ | DC= 7,1 mV AC= 99 mV | DC= 7,5 mV AC= 120 mV | DC= 8,2 mV AC= 112 mV | DC= 7,8 mV AC= 139 mV |
| 1,30 MΩ | DC= 8,1 mV AC= 99 mV | DC= 8,8 mV AC= 121 mV | DC= 9,4 mV AC= 113 mV | DC= 8,9 mV AC= 140 mV |
| 1,52 MΩ | DC= 9,0 mV AC= 100 mV | DC= 9,7 mV AC= 122 mV | DC= 10,3 mV AC= 115 mV | DC= 9,9 mV AC= 141 mV |
| 1,80 MΩ | DC= 9,8 mV AC= 102 mV | DC= 10,9 mV AC= 124 mV | DC= 11,3 mV AC= 116 mV | DC= 11,0 mV AC= 142 mV |
| 2,13 MΩ | DC= 10,9 mV AC= 104 mV | DC= 12,3 mV AC= 126 mV | DC= 12,6 mV AC= 117 mV | DC= 12,3 mV AC= 143 mV |
| 2,48 MΩ | DC= 11,9 mV AC= 105 mV | DC= 13,5 mV AC= 128 mV | DC= 13,8 mV AC= 118 mV | DC= 13,7 mV AC= 144 mV |
| 3,19 MΩ | DC= 13,4 mV AC= 106 mV | DC= 15,6 mV AC= 130 mV | DC= 15,6 mV AC= 120 mV | DC= 15,8 mV AC= 146 mV |
| 3,97 MΩ | DC= 14,8 mV AC= 108 mV | DC= 17,5 mV AC= 132 mV | DC= 17,4 mV AC= 122 mV | DC= 17,9 mV AC= 147 mV |
| 4,38 MΩ | DC= 15,3 mV AC= 109 mV | DC= 18,2 mV AC= 134 mV | DC= 17,9 mV AC= 124 mV | DC= 18,8 mV AC= 148 mV |
| 5,00 MΩ | DC= 16,0 mV AC= 109 mV | DC= 19,3 mV AC= 136 mV | DC= 18,9 mV AC= 126 mV | DC= 20,1 mV AC= 150 mV |
| 6,67 MΩ | DC= 17,7 mV AC= 110 mV | DC= 21,9 mV AC= 138 mV | DC= 21,2 mV AC= 128 mV | DC= 22,9 mV AC= 152 mV |
| 10,0 MΩ | DC= 19,8 mV AC= 110 mV | DC= 25,3 mV AC= 140 mV | DC= 24,0 mV AC= 130 mV | DC= 27,2 mV AC= 156 mV |
We zien dat de spanning over de kring en de gedetecteerde spanning
nogal afhankelijk zijn van de gebruikte diode.
Maar de AC spanning als functie van de belastingsweerstand (bij gelijkblijvende
diode) is juist relatief constant.
Met andere woorden, de Q factor (welke evenredig is met de AC spanning) is
nu vooral afhankelijk van de gebruikte diode en niet zozeer van de
belastingsweerstand.
Dit is een typisch verschijnsel bij lage signaal niveaus,
waar de diode werkt in het
kwadratische detectie gebied.
Ook nu zijn de gedetecteerde spanningen weer omgerekend naar vermogen in de belastingsweerstand.
Tabel 7
Vermogen in de belastingsweerstand (in pW = pico-Watt) als functie van
belastingsweerstand en gebruikte diode.
| Belastings- weerstand |
HSMS-282K 2 diodes parallel |
HSMS-282K 1 diode |
5082-2835 2 diodes parallel |
5082-2835 1 diode |
| 0,91 MΩ | 42,2 | 46,4 | 56,9 | 47,9 |
| 1,07 MΩ | 47,1 | 52,6 | 62,8 | 56,9 |
| 1,30 MΩ | 50,5 | 59,6 | 68,0 | 60,9 |
| 1,52 MΩ | 53,3 | 61,9 | 69,8 | 64,5 |
| 1,80 MΩ | 53,4 | 66,0 | 70,9 | 67,2 |
| 2,13 MΩ | 55,8 | 71,0 | 74,5 | 71,0 |
| 2,48 MΩ | 57,1 | 73,4 | 76,8 | 75,7 |
| 3,19 MΩ | 56,3 | 76,3 | 76,3 | 78,3 |
| 3,97 MΩ | 55,5 | 77,1 | 76,3 | 80,7 |
| 4,38 MΩ | 53,4 | 75,6 | 73,2 | 80,7 |
| 5,00 MΩ | 51,2 | 74,5 | 71,4 | 80,8 |
| 6,67 MΩ | 47,0 | 71,9 | 67,4 | 78,6 |
| 10,0 MΩ | 39,2 | 64,0 | 57,6 | 74,0 |
Grafiek 2
Vermogen in de belastingsweerstand (in pW) als functie van belastingsweerstand
en gebruikte diode.
De uitkomsten uit tabel 7 zijn weergegeven in deze grafiek.

Conclusies:
Van de geteste diodes geeft de 5082-2835 ( één diode) het meeste
uitgangsvermogen bij lage signaalniveaus.
Het maximum vermogen geeft deze diode bij een belastingsweerstand van ongeveer 5
MΩ.
De andere diodes geven minder uitgangsvermogen, en hebben hun piekvermogen bij
een lagere belastingsweerstand.
Verbeteringen aan detector unit 1
De maximale gevoeligheid van detector unit 1 treedt niet op als alle impedanties (van LC kring, diode en belastingsweerstand) gelijk zijn aan elkaar.
De gevoeligheid en selectiviteit van de detector
unit
kunnen verbeterd worden door als diode geen dubbele HSMS-282K te gebruiken, maar
een enkele 5082-2835.
En daarbij de belastingsweerstand te verhogen van 1,6 MΩ naar ongeveer 5 MΩ.
In dat geval gaat het uitgangsvermogen bij lage signaalniveaus omhoog met een
factor 1,52 (80,8 pW / 53,3 pW zie tabel 7) of + 1,81 dB.
Bij hoge signaalniveaus gaat het uitgangsvermogen omhoog met een factor 1,09
(447 nW / 411 nW zie tabel 5) of + 0,36 dB.
De Q factor (selectiviteit) bij lage signaalniveaus gaat omhoog met een
factor 1,50 (150 mVac / 100 mVac zie tabel 6).
De Q factor bij hoge signaalniveaus gaat omhoog met een factor 1,745
(3,49 Vac / 2,00 Vac zie tabel 4).